深圳明纬开关电源科技有限公司

产品详情
分享到:

LRS-60W

功能特性
‧ 交流输入范围通过开关切换
‧ 可承受300vac浪涌输入5秒
‧ 保护种类:短路/过负载/过电压/过温度
‧ 内有直流风扇强制风冷
‧ 具有风扇开/关控制
‧ 可承受5G振动测试
‧ 电源启动LED指示灯
‧ 空载功耗<0.75W
‧ 100%满载老化测试
‧ 工作温度可高达70℃
‧ 可在海拔5000米条件下操作
‧ 高效率,高寿命和高可靠度
‧ 3年保固
应用:
‧ 工业自动化机械
‧ 工业控制系统
‧ 机械和电气设备
‧ 电子仪器,设备和装置
品牌 MWJB 深圳明纬
产品详情


型号
LRS-60-5
LRS-60-12

LRS-60-24
LRS-60-36
LRS-60-48
输出
直流电压
5V
12V

24V
36V
48V
额定电流
12A
5A

2.5A
1.7A
1.25A
电流范围
0~12A
0~5A

02.5A
0~1.7A
01.25A
纹波与噪声(最大)备注2
150mVp-p
150mVp-p

150mVp-p
200mVp-p
200mVp-p
电压调整范围
4.75.5V
10.213.8V

21.628.8V
32.439.6V
43.252.8V
电压精度   备注3
±1%
±1%

±1%
±1%
±1%
启动、上升、保持时间
1500ms、50ms、20ms
输入
电压范围
90264VAC   (全电压)
频率范围
4763Hz
效率(Typ.)
80%
78%
83%
83%
84%
85%
交流电流
0.6A/115VAC   0.3A/230VAC
漏电流
<2mA/240VAC
保护
过负载
打嗝模式105150%,自行恢复
过电压
115150%额定输出电压
环境
工作温度
-25+70℃
工作湿度
2090% RH,无冷凝
其它
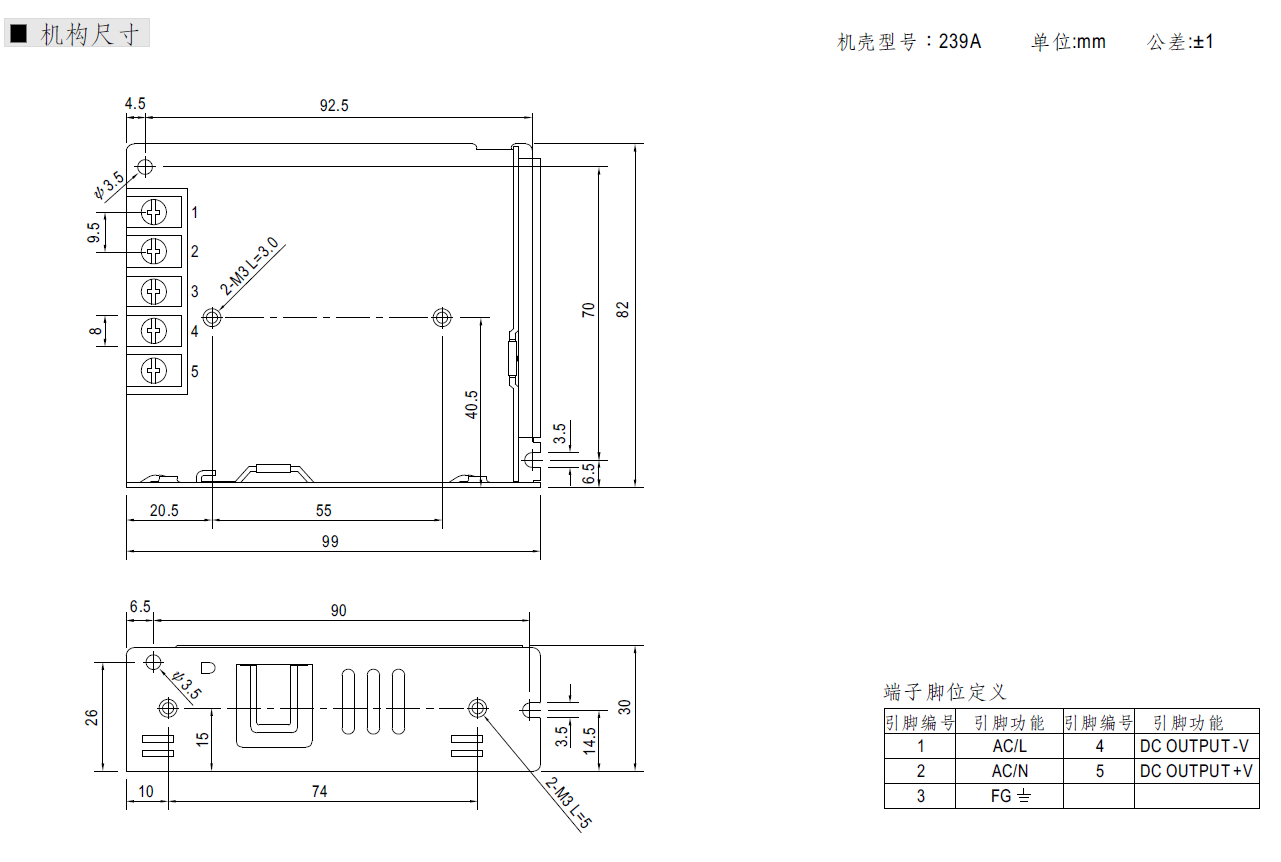
外形尺寸
99*82*30MM(L*W*H)
重量
0.15KG
备注

1、如未特别说明,所有规格参数均在输入为230VAC、额定负载、25℃环境温度下进行量测。

2、纹波和噪声测量方法:使用一条12”双绞线,同时终端并联0.1uf和47uf的电容,在20MHZ带宽下进行量测。

3、精度:包含设定误差、线性调整和负载调整率。




LRS-50W.png






地址:广东省深圳市宝安区沙井街道沙一社区第三工业区丰泰大厦B141
联系电话:13714191090
邮箱:szmwkgdy@163.com